Klauteren, klimmen, glijden, de speelmogelijkheden zijn eindeloos op deze speelcombinatie.
Niet alleen zitten er heel veel speelwaarden in een speelcombinatie, in verhouding tot losse speeltoestellen neemt een speelcombinatie minder ruimte in beslag. Ideaal voor een kleine speelplek!
| Artikelnummer | VPL-18-RC1406 |
| Type | Glijbaantorens met dak, Vierhoek glijbaantorens |
| Materiaal | Gerecycled materiaal |
| Valhoogte | 1,2 m |
| Valdempende ondergrond | Ja |
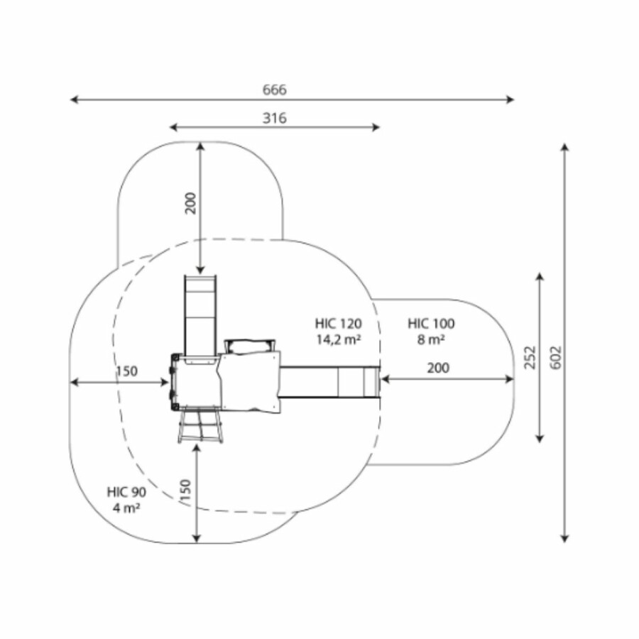
| Opvangzone | 6,7 x 6,1 m |
| Leeftijdscategorie | 2 - 12 jaar |
| Capaciteit | 11 kinderen |
| Speelfuncties | Fantasiespel, Glijden, Klauteren, Klimmen, Zitten |
| Kleur | Groen |
Ook jouw speelplek wordt leuker met de aandacht van Replay Speeltoestellen. Neem vrijblijvend contact met ons op voor meer informatie en ervaar zelf wat wij voor jouw speelplek kunnen betekenen.
Key-accountmanager Leisure
Adviseur spelen regio Noord- en West-Nederland
Adviseur spelen
Regio Zuid- en Oost-Nederland