Klauteren, glijden, kruipen, de speelmogelijkheden zijn eindeloos op deze speelcombinatie. Voor de jongere kinderen of kinderen in een rolstoel zijn er diverse speelpanelen in het toestel aanwezig. Niet alleen zitten er heel veel speelwaarden in een speelcombinatie, in verhouding tot losse speeltoestellen neemt een speelcombinatie minder ruimte in beslag. Ideaal voor een kleine speelplek!
Dit speeltoestel is standaard uitgevoerd met een plywood vloer. Ben je op zoek naar nóg duurzamer speelplezier? Dit speeltoestel is optioneel ook verkrijgbaar met een HPL-vloer. Informeer naar de mogelijkheden.
Voor meer informatie verwijzen we je graag door naar het bijgevoegde productblad.
| Artikelnummer | VPL-03-WD1503-C9 |
| Type | Speelcombinaties met dak, Speelcombinaties met min. 2 torens, Speelcombinaties tot vh 1,5 m |
| Materiaal | Verduurzaamd hout |
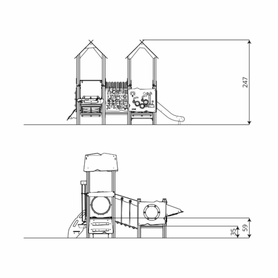
| Valhoogte | < 0,6 m |
| Valdempende ondergrond | Ja, zie productblad |
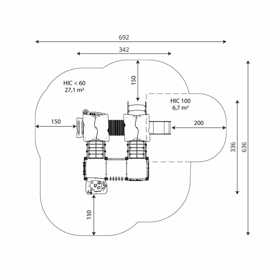
| Opvangzone | 7,0 x 6,4 m |
| Leeftijdscategorie | 0 - 6 jaar |
| Capaciteit | 25 kinderen |
| Speelfuncties | Balanceren, Educatief spelen, Fantasiespel, Glijden, Incl. spelen, Klauteren, Kruipen, Met zand spelen |
| Houtsoort | Geïmpregneerd grenenhout |
| Kleur | Bruin, Houtlook |
Ook jouw speelplek wordt leuker met de aandacht van Replay Speeltoestellen. Neem vrijblijvend contact met ons op voor meer informatie en ervaar zelf wat wij voor jouw speelplek kunnen betekenen.
Key-accountmanager Leisure
Adviseur spelen regio Noord- en West-Nederland
Adviseur spelen
Regio Zuid- en Oost-Nederland