Roep je vriendjes bij elkaar en laat je fantasie tot leven komen in deze bus. Ideaal voor urenlang speelplezier!
Voor meer informatie verwijzen we je graag door naar het bijgevoegde productblad.
| Artikelnummer | VPL-02-TP3103 |
| Type | Gethematiseerde glijbaantorens |
| Materiaal | Gecoat metaal, Staal |
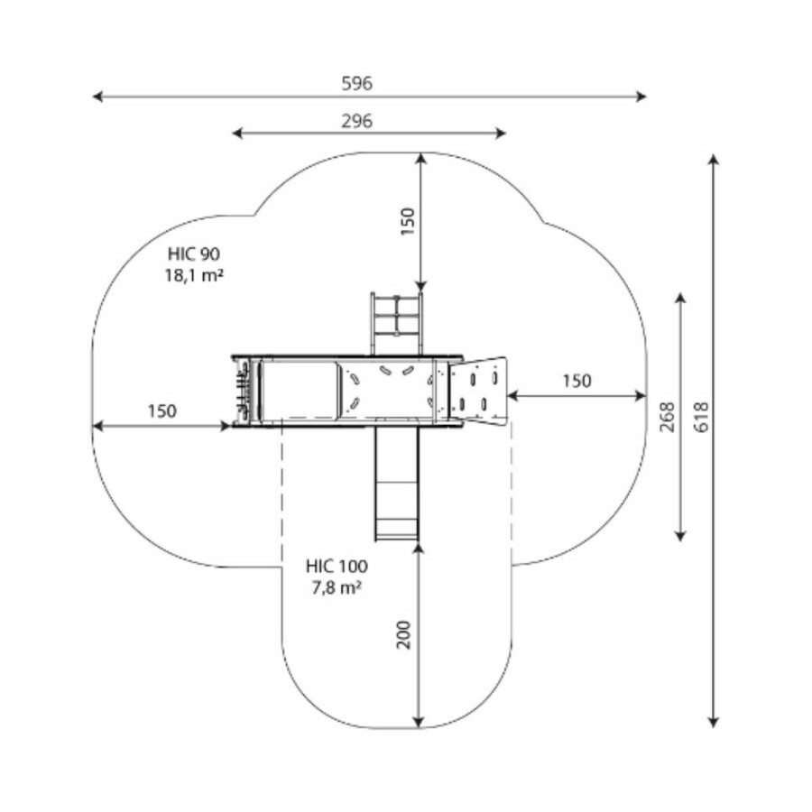
| Valhoogte | 0,9 m |
| Valdempende ondergrond | Ja, zie productblad |
| Opvangzone | 6,2 x 6,0 m |
| Leeftijdscategorie | 2 - 6 jaar |
| Capaciteit | 14 kinderen |
| Speelfuncties | Fantasiespel, Glijden, Klauteren, Klimmen |
| Kleur | Blauw, Groen |
Ook jouw speelplek wordt leuker met de aandacht van Replay Speeltoestellen. Neem vrijblijvend contact met ons op voor meer informatie en ervaar zelf wat wij voor jouw speelplek kunnen betekenen.
Key-accountmanager Leisure
Adviseur spelen regio Noord- en West-Nederland
Adviseur spelen
Regio Zuid- en Oost-Nederland